The recently established Advanced Netherlands Institute of Nanoelectrochemistry aims to make fundamental and ground-breaking contributions to a deeper understanding of charge-transfer reactions and electrocatalytic reactions at nanoscale electrochemical interfaces, with an emphasis on how the structure and dynamics of all components of the interface interact in their restricted nanoscale environment. To that end, ANION brings together experts from chemistry, physics, and materials science, including advanced experimental and theoretical/computational methods.

News

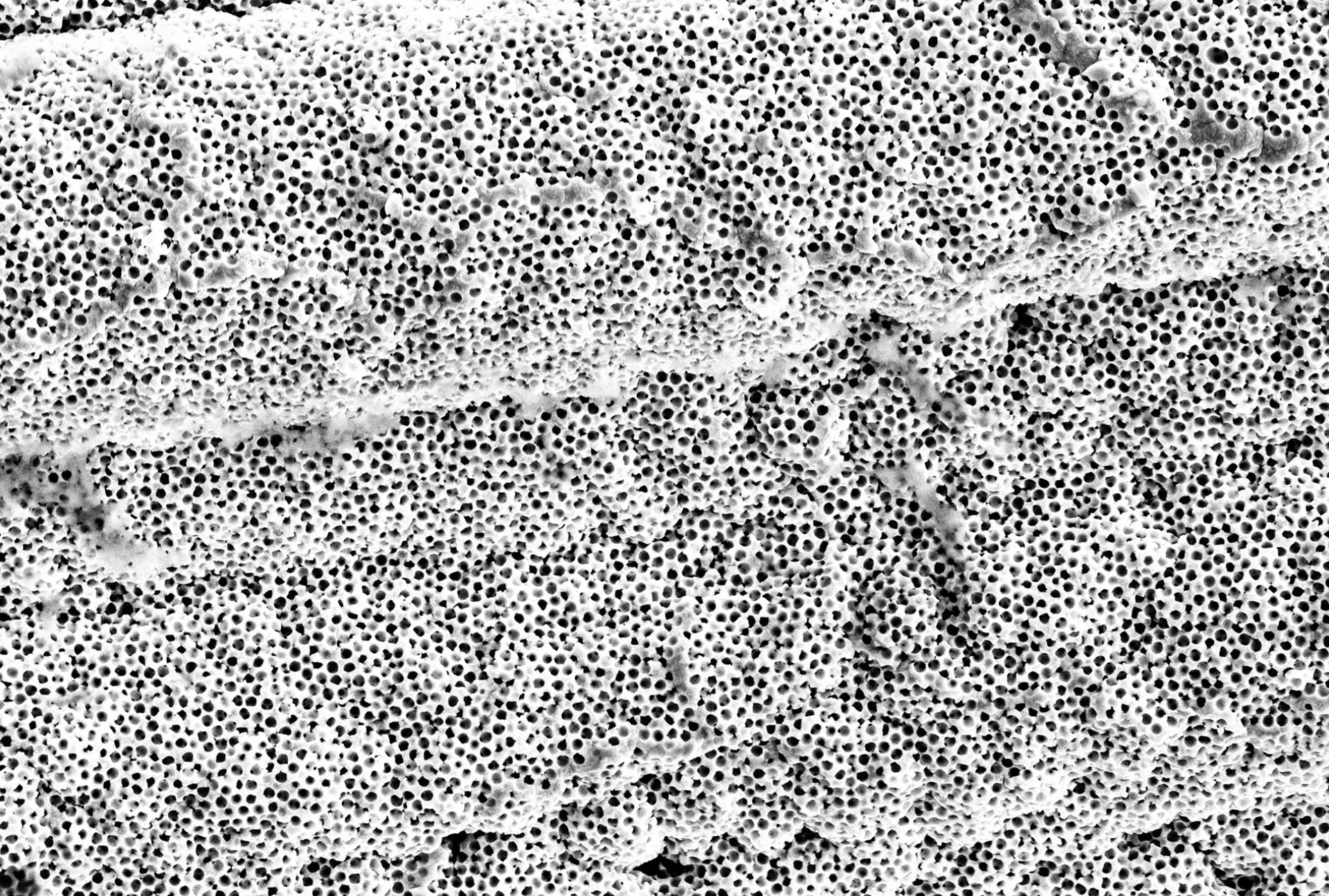
Harsh Wadhwani - Macroporous Silver
ANION Photo Competition 2026 - Winners announced

We are pleased to announce the winners of the ANION Photo Competition, which invited members of the ANION community to share visually engaging images that capture the science and creativity behind nano-electrochemistry research. The competition aims to highlight the fascinating structures, experiments, and concepts that underpin the work across the ANION network.

Serge Lemay at Leiden University
Serge Lemay appointed professor of Iontronics at Leiden Institute of Physics

In his research, he uses the tools and methods of physics and applies these to today’s most important challenges in electrochemistry. Now, he brings his internationally recognized expertise in nanoscale electrochemistry to Leiden University, where he contributes to pioneering solutions for the energy transition.

NAE fellows December 2025
The Netherlands Academy of Engineering (NAE) has installed Moniek Tromp as a new Fellow

NAE welcomes twenty new members - fifteen Fellows and five Young Engineers - selected from among the Netherlands’ most accomplished scientists, technologists, and innovators in academia and industry.

ANION & ANION sponsored events